LOW CURRENT FILTERS
Line: FZP
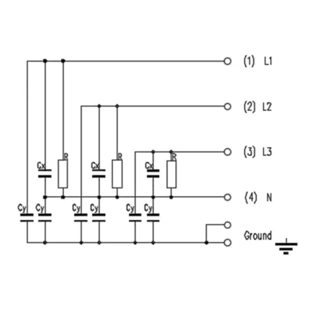
Three-phase capacitive filter
ELECTRICAL CHARACTERISTICS
Value range
0,68MΩ ≤ R ≤ 10MΩ
0,1 μF ≤ CX = 0,68 μF
2,7 nF ≤ CY ≤ 33nF
Rated voltage (VR)
250V
Rated current (IR) @ 40°C
N/A
Mounting
Faston
MECHANICAL CHARACTERISTICS
Housing
Plastic housing 38×56 mm
Terminals
Faston






